
2025-11-03
浏览:100 次

DC-00220W 白色电源插座 5521焊线母座
- 规格:白色DC电源插座
- 型号:DC-00220W-XX
- 包装:袋装
- 寿命:5000cycles
产品介绍
白色DC母座 5521焊线电源插座
详细参数
技术参数:
操 作 力:3~20N
使用寿命:5000cycles
使用温度:-25℃~80℃
环境湿度:≤85%RH
额定负荷:2A 24V DC
接触电阻:30mΩ Max
绝缘电阻:100MΩ Min
操 作 力:3~20N
使用寿命:5000cycles
使用温度:-25℃~80℃
环境湿度:≤85%RH
额定负荷:2A 24V DC
接触电阻:30mΩ Max
绝缘电阻:100MΩ Min
产品特征:
1.具备AC97和HDA等不同规范结构设计
2.接触端子采用弹性结构设计,保证良好的接触稳定性和长寿命要求
3.弹性端子采用进口材料,保证弹性部件寿命和电气性能
4.安装形式:插板/焊线
5.可依据客户要求设计不同功能输出产品
1.具备AC97和HDA等不同规范结构设计
2.接触端子采用弹性结构设计,保证良好的接触稳定性和长寿命要求
3.弹性端子采用进口材料,保证弹性部件寿命和电气性能
4.安装形式:插板/焊线
5.可依据客户要求设计不同功能输出产品
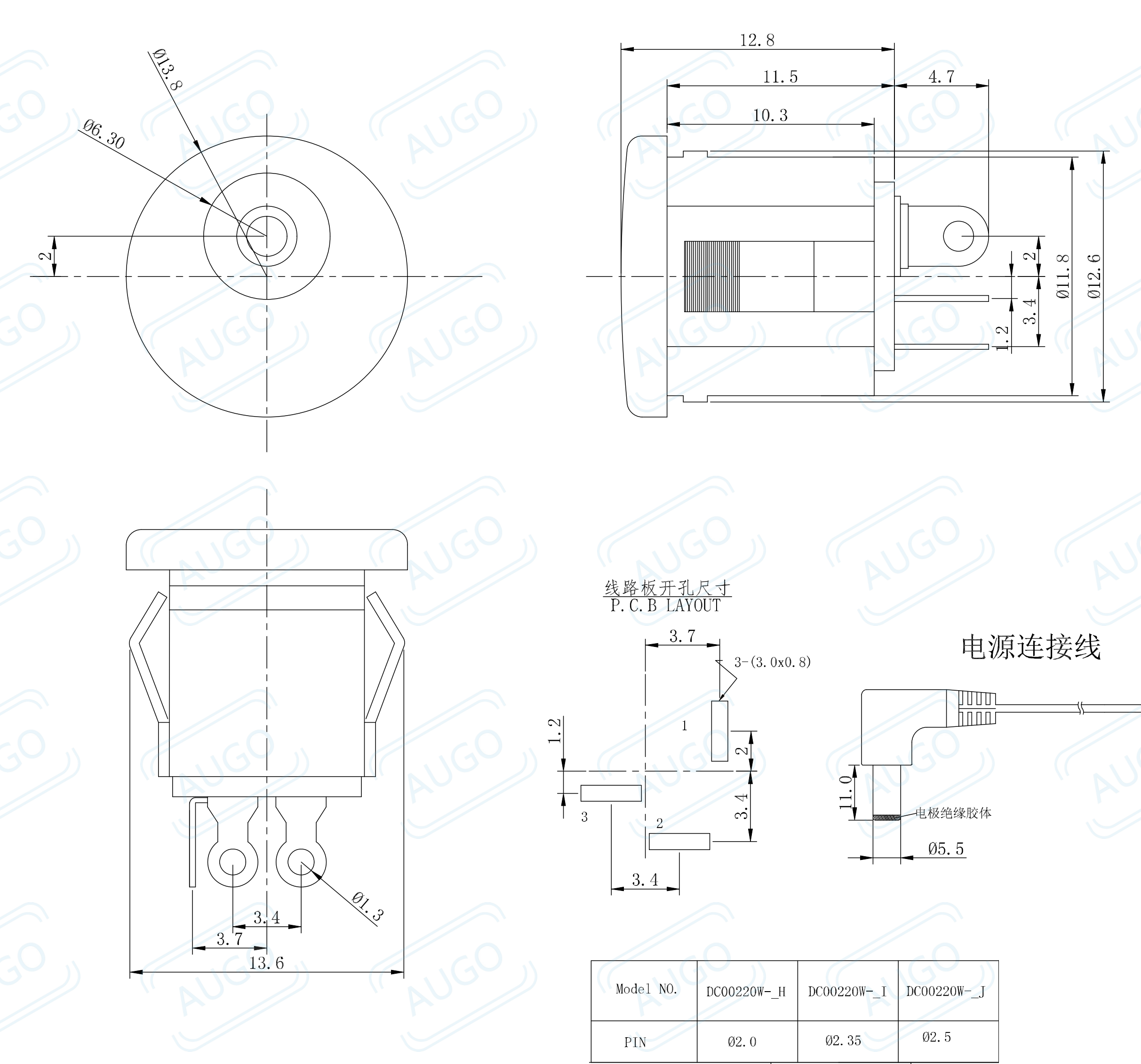
尺寸图
欧高优势
